Circular Stainless Steel External Louver(SSCE)

Specifications:
  • Item code: SSCE
  • Material: stainless steel sheet 304
  • Finish: Polished stainless steel
  • Apply for air exhaust in home ventilation systems
  • Construction: pressed face with fixed blades, insect screen & mounting connector with clips
  • Accessories: rubber gasket + mounting screws.
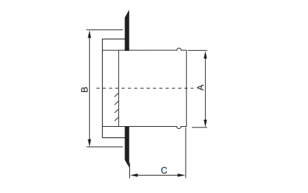
  • Dimension
    Dimension
  • Item code
  • A(mm)
  • B(mm)
  • C(mm)
    • SSCE 100
    • 100
    • 125
    • 52
    • SSCE 125
    • 125
    • 160
    • 52
    • SSCE 150
    • 150
    • 185
    • 62
    • SSCE 160
    • 160
    • 185
    • 62
    Request a quote on this product.
    Contact us for more information or to discuss your requirements and specifications.
    Send an enquiry