Anti vibration rubber mounts

Specifications:
  • Material: Black rubber+electro-galvanized screw
  • Accessories: washers +nuts
  • Minimum package for sale:4pcs/set
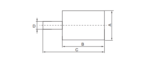
  • Dimension
    Dimension
  • Item code
  • A(mm)
  • B(mm)
  • C(mm)
  • D(mm)
    • SH4040
    • 40
    • 40
    • 60
    • 8
    Request a quote on this product.
    Contact us for more information or to discuss your requirements and specifications.
    Send an enquiry